摘要:本文为建筑物防雷设计规范 GB50057-2010:J.1 用于电气系统的电涌保护器,内容详情如下,如需查看更多消防工程师消防规范标准,敬请关注希赛网消防工程师频道。
J.1.1 电涌保护器的最大持续运行电压不应小于表J.1.1所规定的最小值;在电涌保护器安装处的供电电压偏差超过所规定的10%以及谐波使电压幅值加大的情况下,应根据具体情况对限压型电涌保护器提高表J.1.1所规定的最大持续运行电压最小值。
表J.1.1 电涌保护器取决于系统特征所要求的最大持续运行电压最小值

注:1 标有①的值是故障下最坏的情况,所以不需计及15%的允许误差。
2U0是低压系统相线对中性线的标称电压,即相电压220V。
3 此表基于按现行标准《低压配电系统的电涌保护器(SPD)第1部分:性能要求和试验方法》GB 18802.1做过相关试验的电涌保护器产品。
J.1.2 电涌保护器的接线形式应符合表J.1.2的规定。具体接线图见图J.1.2-1~图J.1.2-5。
表J.1.2 根据系统特征安装电涌保护器

注:
表示必须,
表示非强制性的,可附加选用。

图J.1.2-1 TT系统电涌保护器安装在进户处剩余电流保护器的负荷侧
3—总接地端或总接地连接带;
4—Up应小于或等于2.5kV的电涌保护器;
5—电涌保护器的接地连接线,5a或5b;
6—需要被电涌保护器保护的设备;
7—剩余电流保护器(RCD),应考虑通雷电流的能力;
F1—安装在电气装置电源进户处的保护电器;
F2—电涌保护器制造厂要求装设的过电流保护电器;
RA—本电气装置的接地电阻;RB—电源系统的接地电阻;
L1、L2、L3—相线1、2、3

图J.1.2-2 TT系统电涌保护器安装在进户处剩余电流保护器的电源侧
3—总接地端或总接地连接带;
4、4a—电涌保护器,它们串联后构成的Up应小于或等于2.5kV;
5—电涌保护器的接地连接线,5a或5b;
6—需要被电涌保护器保护的设备;
7—安装于母线的电源侧或负荷侧的剩余电流保护器(RCD);
F1—安装在电气装置电源进户处的保护电器;
F2—电涌保护器制造厂要求装设的过电流保护电器;
RA—本电气装置的接地电阻;RB—电源系统的接地电阻;
L1、L2、L3—相线1、2、3
注:在高压系统为低电阻接地的前提下,当电源变压器高压侧碰外壳短路产生的过电压加于4a电涌保护器时该电涌保护器应按现行标准《低压配电系统的电涌保护器(SPD) 第一部分:性能要求和试验方法》GB 18802.1做200ms或按厂家要求做更长时间耐1200v暂态过电压试验。

图J.1.2-3 TN系统安装在进户处的电涌保护器
3—总接地端或总接地连接带;
4—Up应小于或等于2.5kV的电涌保护器;
5—电涌保护器的接地连接线,5a或5b;
6—需要被电涌保护器保护的设备;
F1—安装在电气装置电源进户处的保护电器;
F2—电涌保护器制造厂要求装设的过电流保护电器;
RA—本电气装置的接地电阻;RB—电源系统的接地电阻;
L1、L2、L3—相线1、2、3
注:当采用TN-C-S或TN-S系统时,在N与PE线连接处电涌保护器用三个,在其以后N与PE线分开10m以后安装电涌保护器时用四个,即在N与PE线间增加一个,见图J.1.2-5及其注。

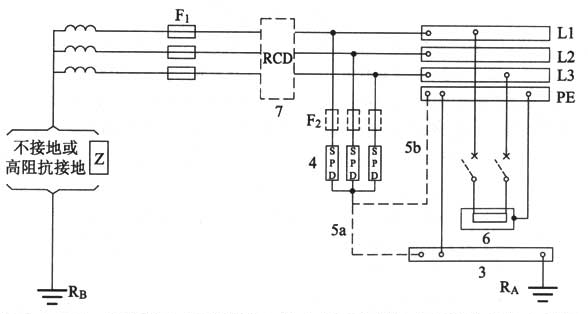
图J.1.2-4 IT系统电涌保护器安装在进户处剩余电流保护器的负荷侧
3—总接地端或总接地连接带;
4—Up应小于或等于2.5kV的电涌保护器;
5—电涌保护器的接地连接线,5a或5b;
6—需要被电涌保护器保护的设备;
7—剩余电流保护器(RCD);
F1—安装在电气装置电源进户处的保护电器;
F2—电涌保护器制造厂要求装设的过电流保护电器;
RA—本电气装置的接地电阻;RB—电源系统的接地电阻;
L1、L2、L3—相线1、2、3
图J.1.2-5 Ⅰ级、Ⅱ级和Ⅲ级试验的电涌保护器的安装(以TN-C-S系统为例)
1—电气装置的电源进户处;2—配电箱;
3—送出的配电线路;4—总接地端或总接地连接带;
5—Ⅰ级试验的电涌保护器;6—电涌保护器的接地连接线;
7—需要被电涌保护器保护的固定安装的设备;8—Ⅱ级试验的电涌保护器;
9—Ⅱ级或Ⅲ级试验的电涌保护器;10—去耦器件或配电线路长度;
F1、F2、F3—过电流保护电器;L1、L2、L3—相线1、2、3
注:1 当电涌保护器5和8不是安装在同一处时,电涌保护器5的Up应小于或等于2.5kV;电涌保护器5和8可以组合为一台电涌保护器,其Up应小于或等于2.5kV。
2 当电涌保护器5和8之间的距离小于10m时,在8处N与PE之间的电涌保护器可不装。
条文说明
J.1 用于电气系统的电涌保护器
J.1.1 表J.1.1是根据GB 16895.22—2004/IEC
60364—5—53:2001A1:2002(建筑物电气装置,第5-53部分:电气设备的选择和安装,隔离、开关和控制设备,第534节:过电压保护电器Electrical
installations of buildings—Part 5-53:Selection and e-rection
of equipment—Isolation,switching and
control—Section534:Devices for protection against
overvoltages)第3页的表53C制定的。表中系数1.15中的0.1考虑系统的电压偏差,0.05考虑SPD的老化。
J.1.2
表J.1.2是根据GB 16895.22—2004第2页的表53B制定的。图J.1.2-1~ 图J.1.2-5是根据GB
16895.22—2004附录A、附录B、附录C和附录D制定的,但图J.1.2-2根据IEC61643—12:2008第120页的图K.2和121页的图K.3删去了4a(SPD)后面(右侧)的F2设备。
在此,介绍SPD的后备保护问题。以下资料来自IEC61643—12:2008第150页附录P的P.2节熔丝耐受一次8/20μs和10/350μs电流的能力(断路器实际耐受相应的能力还取决于器件的型号,无可参考的统一资料)。
知道电涌电流的峰值Icrest及其波形可以用以下公式估算出电涌电流I²t的值:
对10/350μs波形:

对8/20μs波形:

式中:Icrest——电涌电流峰值(kA);
I²t——单位为A²·s。
举例如下:
为能耐受一次9kA、8/20μs电涌电流,后备熔丝的最小预燃弧值必须大于I²t=14.01×9²=1134.8(A²·s)(gG型号32A圆柱形熔丝的典型预燃弧值是1300A²s)。
为能耐受一次5kA、10/350μs电涌电流,后备熔丝的最小预燃弧值必须大于I²t=256.3×5²=6407.5(A²·s)(gG型号63A、NH型熔丝的典型预燃弧值是6500A²s)。
注册消防工程师备考资料免费领取
去领取
专注在线职业教育25年